你提供的照片可能用于改善必应图片处理服务。
隐私政策
|
使用条款
无法使用此链接。检查链接是否以 "http://" 或 "https://" 开头,然后重试。
无法处理此搜索。请尝试其他图像或关键字。
试用视觉搜索
使用图像搜索、识别对象和文本、翻译或解决问题
将一个或多个图像拖到此处,
上传图像
或
打开相机
将图像放到此处以开始搜索
要使用可视化搜索,请在浏览器中启用相机
English
全部
搜索
图片
灵感
创建
集合
视频
地图
资讯
更多
购物
航班
旅游
笔记本
自动播放所有 GIF
在这里更改自动播放及其他图像设置
自动播放所有 GIF
拨动开关以打开
自动播放 GIF
图片尺寸
全部
小
中
大
特大
至少... *
自定义宽度
x
自定义高度
像素
请为宽度和高度输入一个数字
颜色
全部
仅限颜色
黑白
类型
全部
照片
剪贴画
素描
动画 GIF
透明
版式
全部
方形
横版
高
人物
全部
仅脸部
半身像
日期
全部
过去 24 小时
过去一周
过去一个月
去年
授权
全部
所有创作共用
公共领域
免费分享和使用
在商业上免费分享和使用
免费修改、分享和使用
在商业上免费修改、分享和使用
详细了解
清除筛选条件
安全搜索:
中等
严格
中等(默认)
关闭
筛选器
768×1024
scribd.com
Algorithm Analysis | PD…
1024×640
askdifference.com
Algorithm vs. Logarithm — What’s the Difference?
375×647
stackoverflow.com
java - Logarithm Algorithm - Sta…
640×360
slideshare.net
Discrete Logarithm Algorithm.pptx
2048×1152
slideshare.net
Discrete Logarithm Algorithm.pptx
2048×1152
slideshare.net
Discrete Logarithm Algorithm.pptx
2048×1152
slideshare.net
Discrete Logarithm Algorithm.pptx
1200×900
algorithmaytuber.blogspot.com
Algorithm And Logarithm Differences
2048×1152
slideshare.net
Discrete Logarithm Algorithm.pptx
918×997
statistica.com.au
Logarithm Rules
595×842
academia.edu
(PDF) Analysis of the Continu…
900×210
intellspot.com
Simple Logarithm Examples with Solutions: Beginner's Guide
1020×1392
docslib.org
A Fast Binary Logarithm Alg…
1298×649
storyofmathematics.com
Logarithm Rules – Explanation & Examples
440×512
Wikipedia
Logarithm - Wikipedia
731×363
researchgate.net
Logarithm of complexity O(·) comparison between our algorithm in both a... | Download Scientific ...
1225×1532
github.com
GitHub - DavidNadaly/Discr…
1000×600
mathvault.ca
Logarithm: The Complete Guide (Theory & Applications) | Math Vault
366×432
researchgate.net
Flow chart of the iterative algorit…
697×917
researchgate.net
The algorithm of conversion wit…
1024×1024
calculators.im
Free Logarithm Calculator | Log Base 2, 10, e & Custo…
817×296
maths-formula.com
Logarithm: Definition, Logarithm Rules, Derivation
1800×900
fity.club
Logarithm Rules Work With Event Log Policies Syncro
1200×600
adda247.com
Logarithm Formula- Explanation, Types, Properties, Examples
830×434
98thpercentile.com
Understanding Logarithms: Rules, Properties, and Applications
1266×452
semanticscholar.org
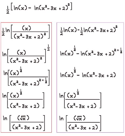
Figure 1 from Algorithm and architecture for logarithm, exponential, and powering computation ...
1200×686
medium.com
“Struggling with Logarithm-Based Algorithm Complexity? This Trick Will Change Everything!” | b…
1200×1698
studocu.com
A Discrete Logarithm Collisio…
1212×1412
storage.googleapis.com
Logarithm Example Problems And Solutions at John Mellon blog
1123×735
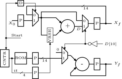
digitalsystemdesign.in
Implementation of Logarithm Function - Digital System Design
1800×900
calendar.us.org
School Form 10 Matatag Curriculum Lesson Logarithm Definition
380×390
Magoosh
Logarithms Tips for ACT Math
1024×768
SlideServe
PPT - Chapter 6 Algorithm Analysis PowerPoint Presentation, free downloa…
1024×768
SlideServe
PPT - Efficiency of Algorithms: Logarithmic Orders Binary Search Algori…
1008×756
zhuanlan.zhihu.com
Laws of Logarithm - 知乎
某些结果已被隐藏,因为你可能无法访问这些结果。
显示无法访问的结果
报告不当内容
请选择下列任一选项。
无关
低俗内容
成人
儿童性侵犯
反馈